Product image for Thomas & Betts 54876BE Copper Long Barrel Connector
Image thumbnail 0
Image thumbnail 1
Image thumbnail 2
Image thumbnail 3

Email

Thomas & Betts 54876BE Copper Long Barrel Connector

Manufacturer: ABB Thomas & Betts | Catalog # 54876BE | Codale Part # 10178

$2,970.99/c (100 ea)
ea
Log in or register to view your price, purchase history, and more!
8 available

For Delivery

Not in local stock *
Check your local branch
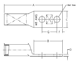
Copper Two-Hole Lug, Long Barrel, Blind End, Max 35kV, Wire Size 500 kcmil, 1/2 Inch Bolt Size, 1-3/4 Inch Hole Spacing, Tin Plated, Die Code 87, Die Color Code Brown

Technical Information

Barrel Length
Long
Barrel Shape
Standard
Barrel Type
Long, Straight
Cable Size
500 MCM
Conductor Size
500 kcmil
Die Code
87
Insulated?
No
Material
Copper
Number of Holes
2 Hole
Number of Studs
2
Stud Size
1/2 in
Tongue Angle
Straight
Tongue Width
Standard
Type
Long Barrel
Voltage
35 kV
Wire Size
500 kcmil

Manufacturer Information

Brand
ABB
Sub Brand
Color-Keyed®

General Product Info

12-Digit UPC
786210882734
Color
Brown
Finish
Tin Plated
Product UPC
78621088273
Shape
Round
Notes
  • Dimensions given for reference only. Dimensions may vary up to .030.



Compare