Product image for Burndy TN106F Nylon Fork Terminal For 12 - 10 AWG
Image thumbnail 0
Image thumbnail 1
Image thumbnail 2
Image thumbnail 3

Email

Burndy TN106F Nylon Fork Terminal For 12 - 10 AWG

Manufacturer: Hubbell-Burndy | Catalog # TN106F | Codale Part # 4264335

$344.23 /c (100 ea)
ea
Log in or register to view your price, purchase history, and more!
Experiencing long lead times. Please call for availability.
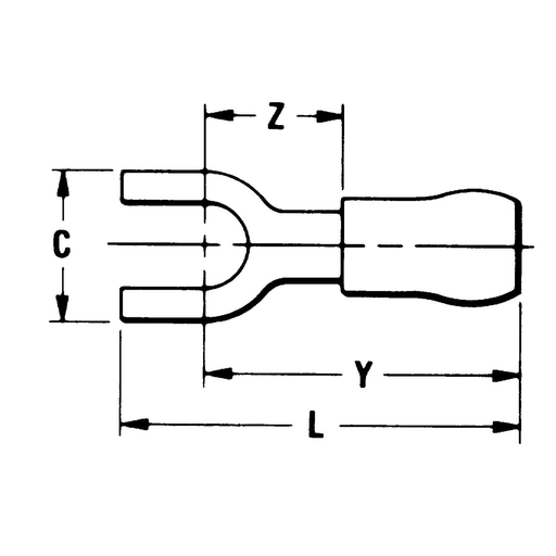
Copper Terminal, Fork Tongue, 12-10 AWG, #4-#6 Stud, Nylon Insulated, Funnel Entry, Tin Plated, 600 Volts Max.

Technical Information

Applications
Power Connector
Cable Size
12 - 10 AWG
Color Coding
Yellow
Conductor Size
10 AWG
Conductor Type
CU C Str-Size
Connection Type
Fork Terminal
Insulation Type
Nylon
Material
Copper
Max Voltage
600 V
Plated?
Yes
Plating Type
Tin
Stud Size
0.112-0.138 in
Type
TN-F
Voltage
600 Volt

Manufacturer Information

Brand
Hubbell Incorporated
Sub Brand
Burndy

General Product Info

12-Digit UPC
781810732106
Product UPC
78181073210
Weight
0.0050 lb

Dimensions

Height
0.31 Inch
Length
0.96 Inch
Overall Length
0.96 in
Width
0.31 in

Certifications and Compliance

Country of Origin
USA
CSA
Yes
Features
  • Fork terminals are constructed of pure electrolytic copper
  • Long brazed seam barrel with deep V groove inner serations for optimum conductivity, reliability and holding power after crimping
  • Fork tongue design for faster installation - screw only needs to be loosened for termination
  • Two or more terminals can be stacked on a common stud
  • Provides maximum conductivity, low resistance and ductility for excellent crimp forming properties
  • Electro-tin plating for durable, long lasting corrosion resistance
  • Inspection hole/skive provides an easy visual check of proper wire insertion
  • 600 Volts maximum, 105°C maximum



Compare